同惠 TH511半导体功率器件CV特性解决方案
2023-12-25
一、半导体功率器件CV特性测试痛点
1、进口设备
进口设备功能全、一体化集成度高、测试准确,但是有如下缺点:
价格昂贵,动则几十万甚至上百万的价格,一般企业很难承受。
操作繁琐,集成了太多功能加上大多英文化的操作界面,对于用户操作并不友好。
测试效率低,一台设备可能完成动态特性、静态特性的全部测试,但是接线复杂操作难度大,测试结果用时较长,测试效率无法保障。
2、 国产设备
在进口设备无法满足用户测试需求的情况下,国产设备应运而生,以相对功能单一、操作方便、价格低廉快速占领了一部分市场,但是,这些设备同样也有如下缺点:
测试效率低,一台设备可能完成动态特性、静态特性的全部测试,但是接线复杂、操作难度大,测试结果用时较长,测试效率无法保障。漏源电压VDS过低,大多最高只能达到1200V左右,已无法满足第三代半导体功率器件测试需求。
测试效率低,同样由于组合仪器过多,加上需用工控机或PLC控制过多仪器,导致测试单个器件时间过长.
扩展性差,由于设备过多,各种仪器不同的编程协议,很难开放第三方接入以集成至客户产线自动化测试整体方案中。
二、同惠半导体功率器件CV特性解决方案
1、进口设备单管MOSFET、IGBT测试解决方案
单管器件或者多个单管器件测试相对简单,同惠TH510系列半导体C-V特性分析仪即可满足基本测试要求。



2、多个MOSFET、IGBT测试解决方案
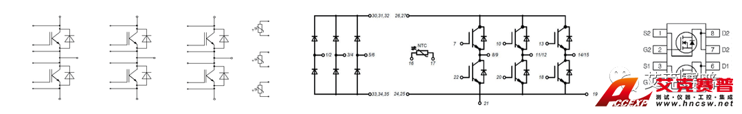
多芯器件、模组器件由于内部集成多个MOSFET、IGBT芯片,而且内部电路比较复杂,因此,测试相对复杂。

实物图

等效电路图(部分)
由上图可见,部分多芯器件、模组器件由于脚位众多、核心多、有贴片封装、异形封装等,如果用单机去测试,接线都 很困难,而要完成整颗器件测试更是难上加难。因此,同惠为此开发了针对模组式器件的测试系统。
1. 系统结构
整套系统基于TH510系列半导体CV特性分析仪,加上定制工装、上位机软件等组成了一套完整的测试、数据分析系统。

2.上位机软件
测试软件采用同惠测试系统通用框架,根据不同产品或不同需求会有相应更改


3. 整套测试系统配置清单

三、应用场景和参数特点
1、应用场景—产线自动化测试
针对产线自动化测试,提供了2米延长线便于客户自己改装自动化产线工装改装,仪器出厂前已校准好2米线测试数据,保证只要按标准要求改装,不会损失测试精度。
仪器已标配了HANDLER接口,可自行编程每个信号线的输入输出电平及信号特征,便于与自动化产线进行I/O信号交互。
仪器内置了SCPI、MODBUS标准编程指令协议,用户可自行编程集成到产线自动化测试系统中,同惠也提供标准化上位机软件或定制特殊需求的上位机软件。
优势如下:
提供2米扩展延长线
测试精度高
测试速度快,测试效率高
标配HANDLER接口
操作简单方便
功能可定制化
02 应用场景—实验室、产线工作台
对于实验室、产线工作台应用,一台单机即可完成全部测试,提供了标准化直插治具,对于直插式MOSFET或IGBT器件,直接插入治具即可进行测试;同时可以测试最多6个单个器件。
优势如下:
体积小,便于集成
精度高
测试速度快,测试效率高
性价比高,比国产系统更便宜
操作简单方便
功能可定制化
3、基本参数

4、特点

最新资讯